CBX-Amines 30m*0.32mm*1.0um
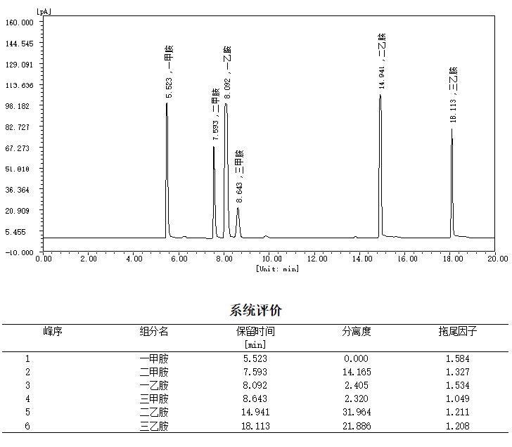
标准谱图
样品谱图
甲胺、二甲胺、乙胺、三甲胺、二乙胺、三乙胺
色谱峰
甲胺 (5.523)
3
二甲胺 (7.593)
14
乙胺 (8.092)
1
三甲胺 (8.643)
15
二乙胺 (14.941)
15
三乙胺 (18.113)
12
色谱条件
登录后可查看色谱条件,请先去登录
色谱峰
色谱峰
色谱仪器
GC-9720Plus
厂家:浙江福立分析仪器股份有限公司
