色谱世界
|
商城
|
学堂
|
谱图
|
问吧
|
国标
|
资料
登录/注册
全部商品分类
毛细柱
弱极性
中极性
专用
手性柱
PLOT
强极性
钝化不锈钢
填充柱
Porapak
Hayesep
GDX
分子筛及其他担体
聚硅氧烷
聚乙二醇
其他固定液
专用填充柱
液相柱
正相
反相
HILIC
专用柱
手性
UPLC
核壳
离子交换
制备
SEC
混合模式
前处理
无机SPE柱
专用SPE柱
真菌毒素检测柱
QuEChERS
IC小柱
硅胶SPE柱
滤器滤膜
吸附/解析管
SPE填料
聚合物SPE柱
标准品
白酒标样
对照品
证书标品
样品瓶
2mL 9-425
2mL 8-425
11mm钳口
11mm卡
4mL 13-425
顶空螺纹
EPA样品瓶
化学样品瓶
瓶架
填料
气相填料
液相填料
萃取柱填料
其他填料
通用配件
进样垫
进样针
O型圈
衬管
石墨垫
通用仪器
小仪器
其他
待定
待定
弱极性
中极性
气相手性色谱柱
气相专用柱
PLOT
无机基质SPE柱
反相色谱柱
站内搜索
小程序
微信小程序
人工客服
回顶部
首页
>
气相毛细柱
>
气相专用柱
>
CBX-农残A
<
>
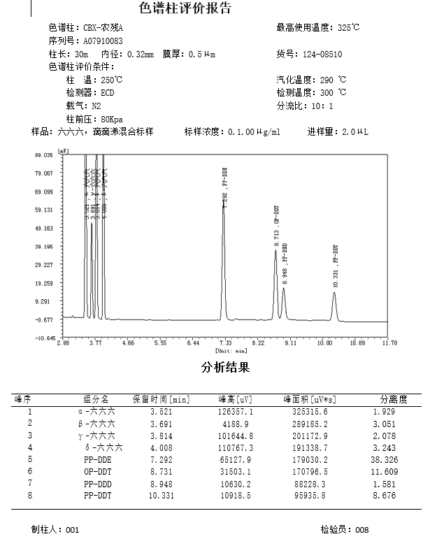
CBX-农残A 30m 0.32mm 0.50μm CH7101
有现货产品,16点以前当天发货,16点以后隔天发货,定做和特殊规格产品需联系我们确认!
价格
3880.00 元
长度
30m
内径
0.32mm
膜厚
0.50μm
数量
-
+
(库存
999
件)
立即购买
加入购物车
CBX-农残A
3880.00 元
应用
详情
服务
咨询
加入购物车
应用
有机氯(六六六、滴滴涕DDT)的测定-GB 5009.19 食品中有机氯农药多组分残留的测定(CBX-5 )
用户案例
水果、蔬菜、谷类中的有机磷 :
兰州东立龙信息有限公司
韭菜中甲胺磷等七种农药残留分析
兰州东立龙信息有限公司
详情
产品特点
CBX-农残A
专注于农药分析 尤其是在有机氯分析方面有较好的分离
品牌简介
兰州东立龙信息技术有限公司
服务
7日内免费退换货
线上购买,会员特权服务。
运费说明
满300包邮顺丰包邮,不满300运费加18元。
免费样品分析
送样需另外提交申请,详细查看样品分析申请页面。
技术服务
免费远程,线上服务; 工程师上门,另外收取费用,费用根据实际工时情况议定。 注: 服务网点可以登录福立仪器官网查询
咨询
我们有专业的技术服务团队,会在15分钟内回复您的问题,请耐心等待!
去提问
关于我们
经营理念
业务合作
联系我们
法律声明
网站建议
网站导航
帮助中心
Copyright ©
色谱世界
版权所有
陇ICP备2024006362号-2