色谱商城 - 色谱柱与色谱耗材导购平台
小程序
微信小程序
人工客服
回顶部
< >

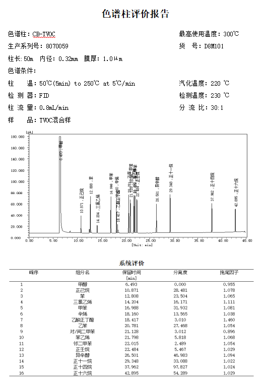
CB-TVOC 50m 0.32mm 1.00μm D8M101

有现货产品,16点以前当天发货,16点以后隔天发货,定做和特殊规格产品需联系我们确认!
价格
3680.00 元
长度
50m
其他
内径
0.25mm
0.32mm
膜厚
1.00μm
3.00μm
数量
- +(库存999 件)

CB-TVOC

3680.00 元

  • 应用

  • 详情

  • 服务

  • 咨询

兰州东立龙信息有限公司
用户案例
Copyright © 色谱世界 版权所有 陇ICP备2024006362号-2
2/2