色谱商城 - 色谱柱与色谱耗材导购平台
小程序
微信小程序
人工客服
回顶部
首页 > 气相毛细柱 > PLOT > CB-PLOT GDX-103(已下架勿下单)
< >

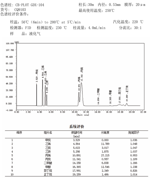
CB-PLOT GDX-103(已下架勿下单) 30m 0.53mm 20μm CQ8101

有现货产品,16点以前当天发货,16点以后隔天发货,定做和特殊规格产品需联系我们确认!
价格
4980.00 元
长度
30m
50m
内径
0.53mm
膜厚
20μm
数量
- +(库存999 件)

CB-PLOT GDX-103(已下架勿下单)

4980.00 元

  • 应用

  • 详情

  • 服务

  • 咨询

暂时没有关联的应用,您可以点击去谱图库查询
Copyright © 色谱世界 版权所有 陇ICP备2024006362号-2
2/2